
俄罗斯3D打印技术发展势头强劲,亮点不断涌现。众多企业和研究机构持续努力,凸显了3D打印在众多行业中的巨大应用前景。

AMT Spetsavia:建筑打印先锋

AMT Spetsavia在3D打印商业建筑领域扮演着关键角色。他们生产了市面上最大的商用3D打印设备之一。而且,他们早在数年前就成功建造了首批3D打印房屋之一。这些房屋不仅结实耐用,还提高了效率,给建筑行业带来了全新的视角。
公司摒弃了以往建筑缓慢的建设方法,引入了3D打印技术,这一技术既快速又精确。它不仅减少了建设所需的时间,也降低了费用。以前,一座普通的简易建筑可能需要几个月才能完成,而现在,运用这项技术,工期可以大大缩短。

Picaso 3D:线材挤出专家

Picaso 3D,俄罗斯最大的线材挤出3D打印机生产商,自2011年起便投身于3D打印机的研发与制造。公司持续优化技术,力求将办公设备的便捷性与安全性以及工业3D打印机的专业性能完美融合。
该产品颇受消费者喜爱,特别适合小型制造公司和工作室使用。比如,莫斯科的一家小型设计室,就采用了Picaso 3D打印机,能迅速完成设计样品的制作,显著提高了工作效率和创意实施水平。

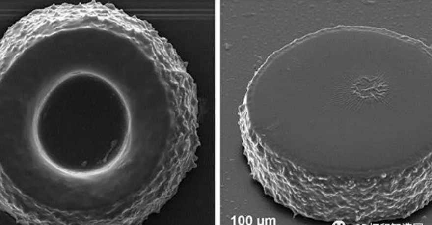
直接激光生长技术:前景诱人

众多3D打印技术里,直接激光生长技术因其独特设计潜力而备受看好。这种技术能将粉末部分熔化,操作起来效率高。在制造精密零件时,它还能保证较高的精度。

在航天行业,这项技术被用于生产微型飞行器部件。它不仅加快了生产进度,还提高了部件品质,减少了不良品比例,有力推动了相关产业的进步。
Progress AAC:航空部件新制造
经过现代化升级的Progress AAC,现在利用3D打印技术制造Ka系列直升机的零件和模具。这一创新技术增强了生产过程的灵活性,并提高了产品质量。

过去制造直升机零件耗时且工艺繁杂,而现在通过3D打印技术,设计模型可迅速调整,生产时间大大缩短。目前,这项技术已在多款直升机上得到了可靠性验证。

新型3D打印方法:纳米潜力大

俄罗斯的研究推动了3D打印技术的创新,采用了独特的纳米颗粒。这一技术尤其在生物打印和电子行业展现出巨大潜力,能够进行高分辨率的打印作业。
生物医学领域,能够实现细胞组织的精确打印,这为疾病的治疗和药物的开发开辟了新的道路。而在电子行业,这项技术能够制造出更为精密的电路元件,助力整个行业的进步。
多领域拓展:军事与航空并进
俄罗斯在军事及航空等多个领域普遍运用3D打印技术。2016年,他们进行了3D打印子弹的试验,其制造方法与传统的导弹制造过程相似。此外,他们还利用激光烧结技术制造出了无缝的子弹。

在航空领域,全俄航空材料研究所成功研发了小型无人机使用的燃气涡轮发动机样本,并搭建了增材制造的生产线。同时,俄罗斯直升机公司利用3D打印技术,生产了Ansat武装直升机所需的关键机械部件。
阅读完关于俄罗斯3D打印技术进步的文章后,你认为哪项技术最具发展前景?不妨留下你的看法,同时记得点赞和转发这篇文章。